PFA Welded to Flared Straight Adapter are directly welded to the end face of the pipe through hot melt docking, achieving complete sealing without the need for reinforcement or concerns about liquid leakage. They are very suitable for high standards of leak free, ultra clean, and high space utilization in semiconductor manufacturing processes.
Features:
1. The integration of welding ensures high heat resistance and prevents looseness and leakage at the connection due to thermal cycling.
2. The connector has a lighter weight and a more compact appearance, which can significantly reduce the piping space.
3. Smooth connection of welding parts to reduce sanitary dead corners
Temperature range: -60 ℃~200 ℃
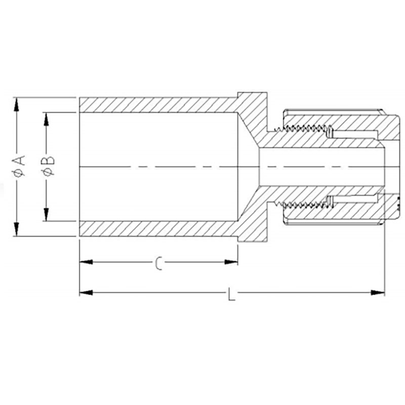
PFA Welded to Flared Straight Adapter - WFA
PFA Welded to Flared Straight Adapter are directly welded to the end face of the pipe through hot melt docking, achieving complete sealing without the need for reinforcement or concerns about liquid leakage. They are very suitable for high standards of leak free, ultra clean, and high space utilization in semiconductor manufacturing processes.
Features:
1. The integration of welding ensures high heat resistance and prevents looseness and leakage at the connection due to thermal cycling.
2. The connector has a lighter weight and a more compact appearance, which can significantly reduce the piping space.
3. Smooth connection of welding parts to reduce sanitary dead corners
Temperature range: -60 ℃~200 ℃

| Code | Size | A | B | C | L |
| (inch) | (mm) | (mm) | (mm) | (mm) | |
| WFA20A045 | OD20*1/4" | 21.3 | 15.4 | 38.1 | 82.0 |
| WFA20A065 | OD20*3/8" | 21.3 | 15.4 | 38.1 | 85.0 |
| WFA20A085 | OD20*1/2" | 21.3 | 15.4 | 38.1 | 86.0 |
| WFA25A085 | OD25*1/2" | 26.7 | 20.6 | 38.1 | 86.0 |
| WFA25A125 | OD25*3/4" | 26.7 | 20.6 | 38.1 | 88.0 |
| WFA32A085 | OD32*1/2" | 33.4 | 26.3 | 38.1 | 86.0 |
| WFA32A125 | OD32*3/4" | 33.4 | 26.3 | 38.1 | 88.0 |
| WFA32A165 | OD32*1" | 33.4 | 26.3 | 38.1 | 95.0 |
CJan Fluid Technology Co., Ltd. is a professional supplier of fluid technology solutions. Since establishment, we have been committed to solving fluid technology problems for global customers through our own research and development, import agency, and customized product services.