Application:
Photovoltaic acid supply system, high-purity chemical containers, liquefied petroleum gas (liquid ammonia) storage tank station and tanker system, semiconductor manufacturing equipment, drug supply equipment, environmental equipment, etc.
Applicable media:
Strong acids and bases, such as hydrofluoric acid (HF), hydrochloric acid (HCL), sulfuric acid (H2SO4), potassium hydroxide (KHO), sodium hydroxide (NAHO), hydrogen peroxide (H2O2), etc.
PCTFE Flanged Quick Coupler For Tanker - FLQC
(PCTFE Check Valve)
Application:
Photovoltaic acid supply system, high-purity chemical containers, liquefied petroleum gas (liquid ammonia) storage tank station and tanker system, semiconductor manufacturing equipment, drug supply equipment, environmental equipment, etc.
Applicable media:
Strong acids and bases, such as hydrofluoric acid (HF), hydrochloric acid (HCL), sulfuric acid (H2SO4), potassium hydroxide (KHO), sodium hydroxide (NAHO), hydrogen peroxide (H2O2), etc.
Features:
Instant lock connection, simple structure, easy operation, quick connection and opening;
Compact size, good sealing and interchangeability, safe and reliable;
All accessories are made of materials that are resistant to chemical corrosion;
Male and female heads can seamlessly integrate with the SURPASS QCH series;
Various standards (EN, ASME, JIS) of flanges can be optionally selected;
Provide PP or HDPE material dust cover.
Material:
Body: PCTFE (PVDF is available)
Spring: PFA coated stainless steel
Small sealing ring: FFKM
Large sealing ring: PFA coated FKM

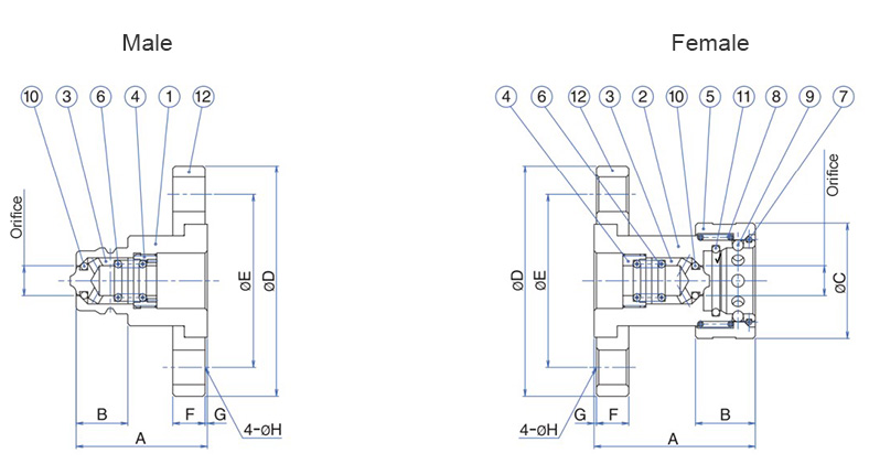
Male:
| Part No. | A(mm) | B(mm) | ΦD(mm) | ΦE(mm) | F(mm) | G(mm) | H(mm) | Orifice(mm) | Flange |
| FLQC20A-M | 57 | 22.4 | 100 | 75 | 14 | 1 | 15 | Φ13 | JIS 10K 20A |
| FLQC25A-M | 72.2 | 34.2 | 125 | 90 | 14 | 1 | 19 | Φ17 | JIS 10K 25A |
| FLQC40A-M | 98 | 51 | 140 | 105 | 6 | 2 | 19 | Φ27 | JIS 10K 40A |
Female:
| Part No. | A(mm) | B(mm) | ΦC(mm) | ΦD(mm) | ΦE(mm) | F(mm) | G(mm) | H(mm) | Orifice(mm) | Flange |
| FLQC20A-F | 70 | 26 | 50 | 100 | 75 | 14 | 1 | 15 | Φ13 | JIS 10K 20A |
| FLQC25A-F | 97 | 36 | 70 | 125 | 90 | 14 | 1 | 19 | Φ17 | JIS 10K 25A |
| FLQC40A-F | 112 | 54 | 95 | 140 | 105 | 16 | 2 | 19 | Φ27 | JIS 10K 40A |
CJan Fluid Technology Co., Ltd. is a professional supplier of fluid technology solutions. Since establishment, we have been committed to solving fluid technology problems for global customers through our own research and development, import agency, and customized product services.